Achromatic Doublets
Specifications
| Material: |
Grade A fine annealed crown and flint glass, or as
specified |
| Design wavelength: |
Customer specification |
| Diameter Tolerance: |
± 0.25mm |
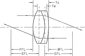
| Paraxical focal length: |
± 5% at 546.1 nm, or as specified |
| Centration: |
± 3 arc minutes |
| Center thickness: |
± 0.25mm |
| Clear aperture: |
90% of the diameter |
| Scratch and dig: |
60-40, 40-20, up to 10-5 upon request |
| Circumference: |
Fine ground, slight protective bevel for both edges |
| AR Coating |
MgF2, visible wavelength, or as specified |
| Customized Specs |
Availbable upon request as per drawing |
Spectral Chart

|