1x1 Mechanical Fiberoptic Switch(Latching or Non-Latching)

Features

  Applications

    Patents

  • Unmatched Low Cost
  • Low Insertion Loss
  • High Channel Isolation
  • Highly Stable and Reliable
  • Epoxy-Free Optical path
  • Latching or Non-Latching
  • Optical Netrwork Protection/Restoration
  • Optical Signal Routing
  • Configurable Optical Add/Drop
  • Transmitter and Receiver Protection
  • Network Test Systems
  • Instrumentation
  • Patent Pending

 

Performance Specifications

Parameter

Specification

Operating Wavelength (nm)

1260~1360 or 1510~1610

1310/1550 ± 40

Insertion Loss (dB) (Max.)

P Grade

A Grade

P Grade

A Grade

< 0.5
< 0.6
< 0.6
< 0.7

Wavelength Dependent Loss (WDL) (dB)

< 0.25

< 0.30

Polarization Dependent Loss (PDL) (dB)

< 0.05

Channel Cross Talk (dB)

> 55

Return Loss (dB)

> 55

Switching Speed (Typ.) (ms)

4(Typ.)

Operating Voltage (V)

5

Power Handling (mW)
500
Durability (Cycles)
10 Million

Operating Temperature (°C)

0 ~ +70

Storage Temperature (°C)
-40 ~ +85
Fiber Type
SMF-28
Fiber Length (m)
1.0 +/- 0.1

Dimensions (LxWxH) (mm)

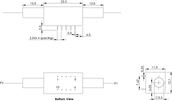
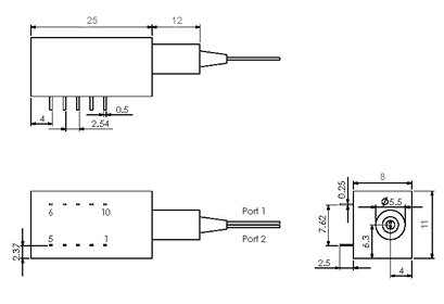
Single Port: 25x11x8; Dual Port: 22.3x12.1x11

 

 

Electrical Pin Configuration:

Optical Path
OFF
ON
Electric Drive
Non-Latching
Pin1
Pin10
 
Latching
Pin1
Pin5
Pin6
Pin10
 
V+
GND
GND
V+
Sensor Status
Non-Latching and Latching
Pin2-3, Pin8-9 Open
Pin2-3, Pin8-9 Close
Pin3-4, Pin7-8 Close
Pin3-4, Pin7-8 Open

Specifications may change without notice

 

Single Port Dimensions (mm)

 

Dual Port Dimensions (mm)

 

 

Ordering Information

MS

.

Option 

Operating  Wavelength

Port

Grade

Pigtail Style

Fiber Length

In/Out Connector

 

L=Latching

N=Non-Latching

15=1510~1610nm
13=1260~1360nm
35=1310/1550nm

 

0101=1x1

P=P Grade
A=A Grade

1=Bare Fiber
2=900um Jacket

1=1m
2=2m

0=None
1=FC/APC
2=FC/PC
3=SC/APC
4=SC/PC
5=ST
6=LC

S=Single Port
D=Dual Port