1x2 Multi-Mode
Mechanical Fiberoptic Switch(Latching or Non Latching)
AC Photonics’
MMS Series
switch connects optical channels by redirecting an incoming optical
signal into a selected output fiber. This is achieved using a patent
pending opto-mechanical configuration and activated via an electrical
control signal. The mechanical operation offers ultra-high reliability
and fast switching speed as well as bi-directional performance. The
MMS fiberoptic switches are true switching solutions for optical networking
applications.
Features |
|
|
Applications |
- Unmatched Low Cost
- Low Insertion Loss
- Latching or Non-Latching
- High Channel Isolation
- Highly Stable and Reliable
- Epoxy-Free Optical Path
|
|
|
- Optical
Signal Routing
- Optical Network Protection/Restoration
- Configurable Optical
Add/Drop
- Transmitter and Receiver
Protection
- Network Test Systems
- Instrumentation
|
Performance Specifications
Parameter
|
Specification |
| Operating
Wavelength (nm) |
850,
1310, or 1550 ± 40 |
850/1310,
850/1550, 1310/1550 |
| Insertion
Loss (dB) |
<0.8 (P Grade), <1.0 (A Grade)
|
<1.0 (P Grade),<1.2 (A Grade)
|
| Wavelength
Dependent Loss (WDL) (dB) |
<0.25 |
<0.30 |
|
Polarization
Dependent Loss (PDL) (dB) |
<0.05 |
| Cross
Talk (dB) |
>35 |
| Return
Loss (dB) |
>35 |
| Switching
Speed (ms) |
<10
(Typ.4) |
| Operating
Voltage (V) |
5 |
| Power
Handling (mW) |
500 |
| Durability
(Cycles) |
10 Million |
| Operating
Temperature (°C) |
0 ~ +70 |
| Storage
Temperature (°C) |
-40 ~
+85 |
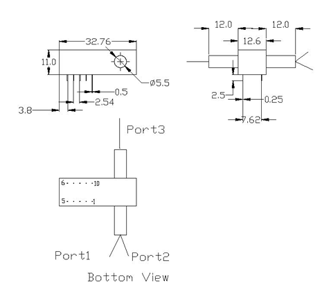
Dimensions
(LxWxH) (mm) |
32.76x12.6x11.0(Or
Custom Size) |
Electrical Pin Configuration:
| Optical
Path |
Port1
To Port2 |
Port1
To Port3 |
| Electric
Drive |
Non
Latching |
Pin1 |
Pin10 |
|
Latching
|
Pin1 |
Pin5 |
Pin6 |
Pin10 |
| |
V+ |
GND |
GND |
V+ |
| Sensor
Status |
Non
Latching and Latching |
Pin2-3,
Pin8-9 Open |
Pin2-3,
Pin8-9 Close |
Pin3-4,
Pin7-8 Close |
Pin3-4,
Pin7-8 Open |
Specifications may change without notice
Dimensions

Ordering Information
MMS |
|
 
|
   
|

|
|

|
 
|
| |
option
|
Operating Wavelength |
Port |
Grade |
Fiber Type
|
Pigtail
Style |
In/Out
Connector |
| |
L=Latching
N=Non-Latching
|
13=1310
±40nm
15=1550±40nm
85=850
±40nm
35=1310/1550nm
38=1310/850nm
58=1550/850nm
|
0102=1x2 |
P = P
Grade
A = A Grade
|
1 = 50/125
Multi-mode
2 = 62.5/125 Multi-mode |
1=Bare
fiber
2=900um Jacket |
0=None
1=FC/APC
2=FC/PC
3=SC/APC
4=SC/PC
5=ST
6=LC |
|